和布克赛尔蒙古自治县人民政府
政府信息公开
政府信息公开指南
政府信息公开制度
法定主动公开内容
组织机构
人事信息
规范性文件
政策解读
重大政策转载
国民经济和社会发展统计
规划信息
政府文件
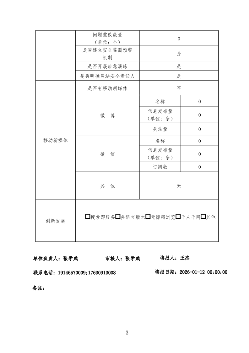
政府网站年度工作报表
权责清单
人大代表建议
政协委员提案
政府工作报告
行政事业性收费
双随机、一公开
办事指南
重点信息
信息公开年度报告
索引号:MB1345713/2026-00015
发文字号:〔2026〕不编号
公文种类:公告
发文机关:和布克赛尔县信息化中心
成文日期:
2026-01-27
主题分类:
2025年度和布克赛尔县政府网站工作年度报表
发布时间:2026-01-27 浏览次数:
【字体:
大
中
小
】
基础信息